网站首页
关于我们
荣誉资质
产品展示
新闻动态
客户案例
联系我们
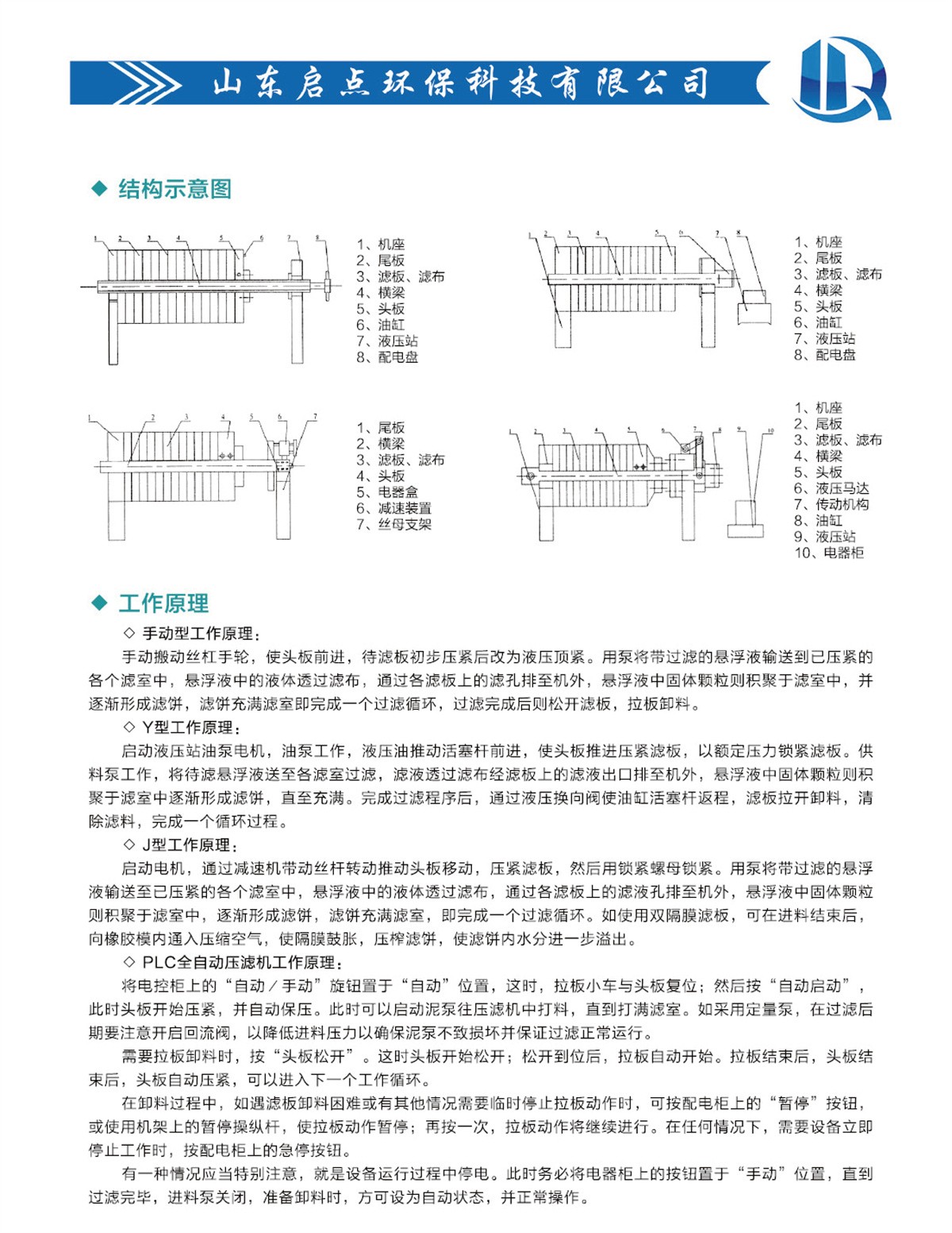
板框压滤机
时间:2022-04-24
浏览量:1568
上一篇:
板框压滤机
下一篇:
最后一篇
返回列表